Устройство и принцип работы
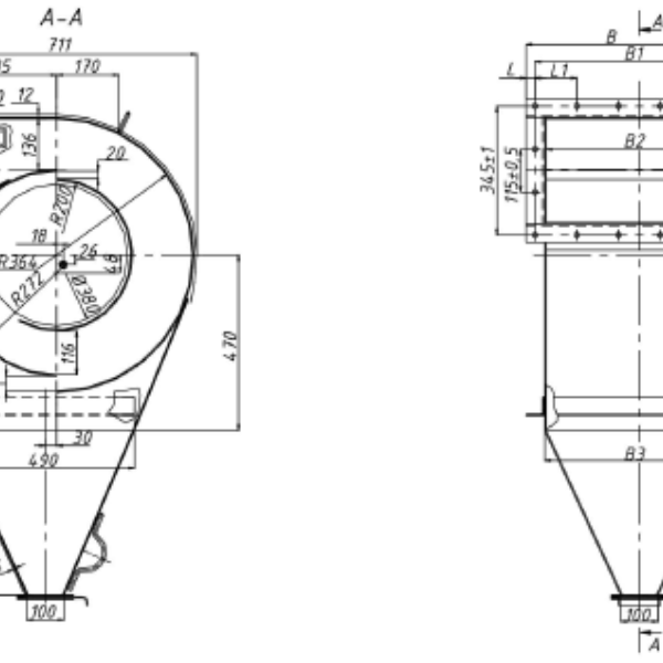
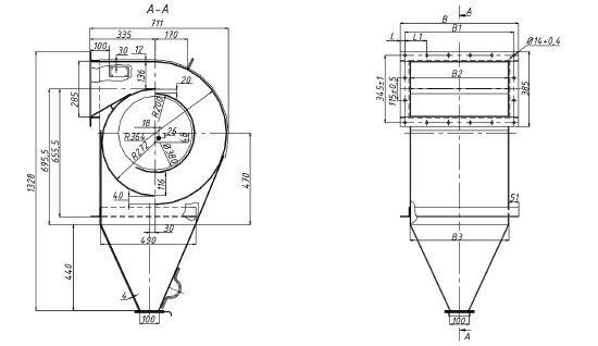
Состоит золоуловитель ЗУ-1,1 из входного патрубка, корпуса, выхлопной трубы, трубки для удаления сажи и золы. Принцип работы заключается в прохождении газового потока через изделие и его очистки от сажи. Сажа через входной патрубок проникает в корпус, где под своим давлением закручивается в турбулентные потоки, в результате она теряет кинетическую энергию и оседает через выходное отверстие в специальном резервуаре или как его называют еще — бункер. Очищенный от вредных веществ газов через выхлопную трубу выводится в окружающую среду или подвергается второй ступени очистки.
Особенности и преимущества использования
Выделим следующие плюсы использования золоуловителя ЗУ-1,1:
- очищает воздушный поток от 99% сажи и пыли;
- простая конструкция из металла практически не может сломаться, что обеспечивает длительный и бесперебойный срок службы;
- золоуловитель прост в установке, крепится с помощью специальных шарниров;
- не требуется специализированное техническое обслуживание, достаточно лишь периодической чистки внешнего корпуса;
- небольшая цена относительно других приборов для очистки воздушного потока от загрязняющих атмосферу веществ.
Эксплуатация и техническое обслуживание
Золоуловителю ЗУ-1,1 требуется лишь периодическая чистка от пленки из сажи и пыли. Чистку проводят по надобности, обычно при среднем режиме работе чистку проводят 1 раз в 4 месяца. Также возможно покраска корпуса золоуловителя, в случае если он подвергается коррозии. Стоит учитывать, что при покраске — краска должна быть термостойкой.
Купить золоуловитель ЗУ-1,1
Приобрести золоуловитель ЗУ-1,1 возможно двумя способами. Самый быстрый — это звонок по телефону менеджеру, оформление заказа происходит в реальном времени. Если время для клиента менее важно, то можно оставить свои контактные данные в форме обратной связи. Менеджер позвонит покупателю в течение 1 часа и оформит заказ.

